佐藤 三紀雄 自己紹介へ

カーポートについて

公開日:2026/01/31(土) 更新日:2026/01/30(金) インテリア・商材【設計】佐藤

こんにちは

設計の佐藤です。

 

今回はカーポートについてです。

2026.1.31カーポート

最近はデザインに拘った商品も増えています。

 

カーポートは建築物にあたるので、面積の算入や、仕上げ材など制限があります。

こちらは2025年の建築基準法改正に伴い、厳格化されてきています。

 

●面積が30㎡を超えるカーポートの屋根材には制限がかかる

●準防火地域の場合、隣地境界線から1m離れていない場合、不燃材で延焼を防ぐ処置を行う必要がある

●建築物の屋根にカーポートの屋根が重なった場合、条件によっては建物一体の検討が必要になる

●居室の前にカーポートをつくると建物の採光がOUTになる可能性がある

等々、いろいろと難しいケースがあります。(各行政によって判断が異なる)

 

もちろん建築面積・容積についても制限をうけます。

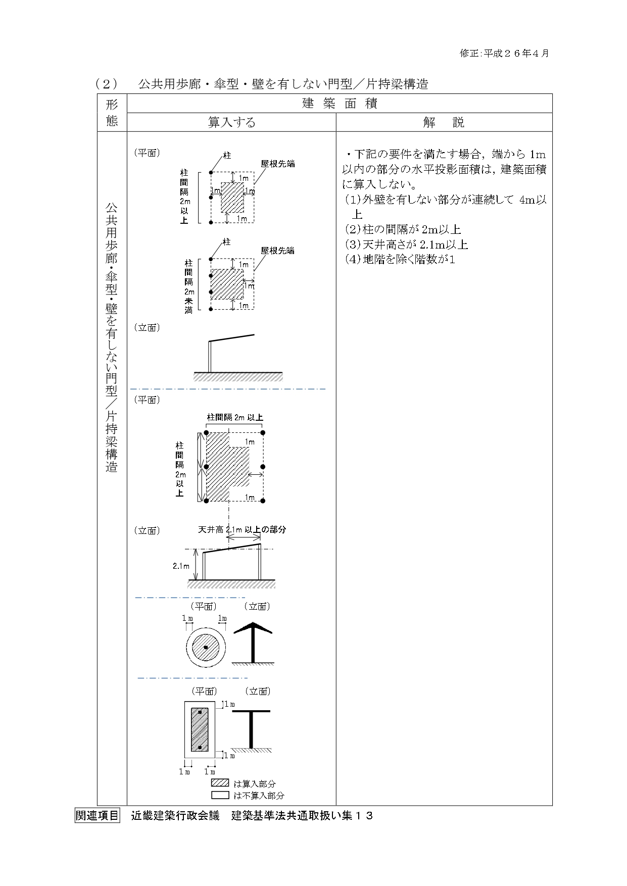
2026.1.31面積

こちらも行政により異なりますが、面積の入り方も条件によって複雑です。

 

限られた敷地の中での計画では、上記の様々な条件をクリアーすることが困難なことがあり、

あきらめざるを得ない場合も多くあるのが現状です。

 

もう少し緩和へ向かう方向を期待します。

 

 

 

 

京都で注文住宅を建てるならデザオ建設におまかせください

イベント情報

フォトギャラリー

暮らしづくりのコンセプト

モデルハウス案内

→施工事例がみられる!インスタグラムはこちら

→イベント情報やお役立ち情報を配信☆Facebookはこちら

→デザオ建設の家づくりがわかる資料はこちら
資料請求

1ページ (全219ページ中)